Founded on November 19, 1999, our company ranks among China's leading enterprises in the research, development, and manufacturing of electric energy meters...

Modern single-phase meters leverage advanced digital integrated circuit technology to deliver high accuracy and stable performance. Their straightforward installation process and operational reliability make them an ideal solution for precise energy measurement in residential applications.
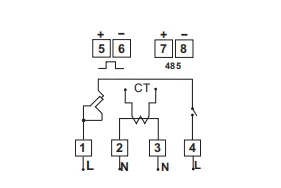
I. The installation method of single-phase meter
1. Installation method
The standard single-phase meter operates with one live wire and one neutral wire, featuring four connection interfaces. The wiring sequence from left to right is as follows: the first (leftmost) terminal connects to the incoming live wire, the second to the outgoing live wire, the third to the incoming neutral wire, and the fourth (rightmost) terminal to the outgoing neutral wire. This standardized configuration ensures safe and accurate residential electricity measurement.
II. what are the advantages of single phase meters?
1. Employing dedicated large-scale digital integrated circuits, these meters deliver stable performance with high reliability, low power consumption, extended lifespan, compact dimensions, and reduced weight — all essential characteristics for modern energy measurement solutions;
2. These meters support diverse functionalities, including integrated anti-t theft mechanisms and prepaid energy management systems, providing comprehensive solutions for modern utility needs;
3. The meters support multi-tariff energy measurement with configurable rate plans, typically featuring four tariffs and twelve time periods. Each tariff period can be customized according to specific utility requirements, enabling precise time-based electricity billing;
4. Equipped with real-time billing and harmonic energy measurement functions, these electronic meters support automated meter reading. Through GPRS, Ethernet, and other communication networks, meter data can be automatically transmitted to the receiving system (RX) for efficient remote monitoring and management;
5. Precise measurement, reliable operation;
6. Meters operate across broad ranges and withstand heavy loads.
Modern single-phase meters leverage advanced digital integrated circuit technology to deliver high accuracy and stable performance. Their straightforward installation process and operational reliability make them an ideal solution for precise energy measurement in residential applications.
I. The installation method of single-phase meter
1. Installation method
The standard single-phase meter operates with one live wire and one neutral wire, featuring four connection interfaces. The wiring sequence from left to right is as follows: the first (leftmost) terminal connects to the incoming live wire, the second to the outgoing live wire, the third to the incoming neutral wire, and the fourth (rightmost) terminal to the outgoing neutral wire. This standardized configuration ensures safe and accurate residential electricity measurement.
II. what are the advantages of single phase meters?
1. Employing dedicated large-scale digital integrated circuits, these meters deliver stable performance with high reliability, low power consumption, extended lifespan, compact dimensions, and reduced weight — all essential characteristics for modern energy measurement solutions;
2. These meters support diverse functionalities, including integrated anti-t theft mechanisms and prepaid energy management systems, providing comprehensive solutions for modern utility needs;
3. The meters support multi-tariff energy measurement with configurable rate plans, typically featuring four tariffs and twelve time periods. Each tariff period can be customized according to specific utility requirements, enabling precise time-based electricity billing;
4. Equipped with real-time billing and harmonic energy measurement functions, these electronic meters support automated meter reading. Through GPRS, Ethernet, and other communication networks, meter data can be automatically transmitted to the receiving system (RX) for efficient remote monitoring and management;
5. Precise measurement, reliable operation;
6. Meters operate across broad ranges and withstand heavy loads.